Bariera mostowa H1W1A

Poziom powstrzymywania: H1

Intensywność zdarzenia: A

Znormalizowana szerokość pracująca: W1

Znormalizowane ugięcie dynamiczne: DN = 0,4m

Znormalizowane wtargnięcie pojazdu: VI7 = 2,3m

Trwałość: cynkowanie wg normy EN ISO 1461 lub EN 10346

Zapytaj o ofertę !

  • Znak "check" mail: brd@fhu-galt.pl
  • Znak "check" telefon: +48 537 094 225

Opis

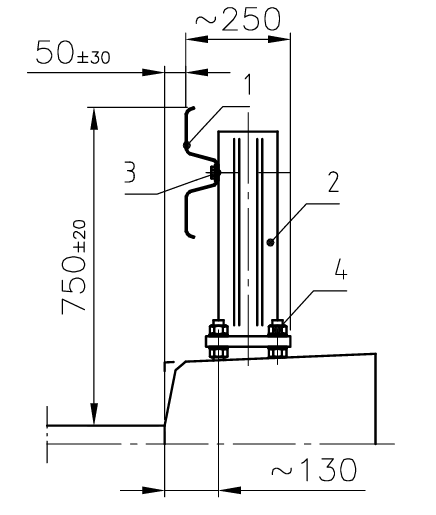
Bariera mostowa poziom powstrzymywania H1, klasa szerokości pracującej W1

Bariera mostowa o poziomie powstrzymywania H1 to nowoczesny i kompaktowy system ochrony drogowej, idealny do zastosowań na obiektach mostowych i wiaduktach. Charakteryzuje się klasą szerokości pracującej W1 (0,5 m) oraz wyjątkowo niskim poziomem odkształcenia dynamicznego – tylko 0,4 m, co czyni ją idealną w miejscach o ograniczonej przestrzeni.

System oferuje wysoki poziom bezpieczeństwa potwierdzony klasą VI7 (wtargnięcie pojazdu: 2,3 m) i poziomem intensywności zderzenia B. Rozstaw słupków co 2 metry i testowana długość 60 m gwarantują stabilność i skuteczność systemu. Bariera wykonana zgodnie z normą EN 1317-5:2007 + A2:2012, odporna na warunki atmosferyczne dzięki ocynkowaniu wg EN ISO 1461 / EN 10346.

Wysokość bariery: 0,75 m, szerokość całkowita: 0,25 m – system kompatybilny z prowadnicami typu A i B. Sprawdza się w zastosowaniach inżynieryjnych, gdzie kluczowe są małe gabaryty i maksymalna ochrona.