Bariera drogowa SP05/2 – N2W4A

Poziom powstrzymywania: N2

Intensywność zdarzenia: A

Znormalizowana szerokość pracująca: W4

Znormalizowane ugięcie dynamiczne: DN = 1,0m

Trwałość: cynkowanie wg normy EN ISO 1461 lub EN 10346

Zapytaj o ofertę !

  • Znak "check" mail: brd@fhu-galt.pl
  • Znak "check" telefon: +48 537 094 225

Opis

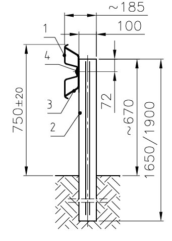
Bariera drogowa stalowa o poziomie powstrzymywania N2, klasa szerokości pracującej W4

Bariera drogowa N2 W4 (SP-05/2) to nowoczesny system ochrony drogowej, zaprojektowany zgodnie z europejską normą EN 1317 (część 1 i 2). Gwarantuje wysoki poziom powstrzymywania N2 przy wyjątkowo korzystnych parametrach bezpieczeństwa, a szerokość pracująca systemu to tylko 1,1 metra (W4), co czyni go idealnym wyborem nawet w ograniczonej przestrzeni. Niski wskaźnik ASI=0,8 oraz THIV=23 km/h zapewniają minimalne obciążenie dla pasażerów w trakcie zderzenia.

System charakteryzuje się szybkim i prostym montażem, co skraca czas instalacji i redukuje koszty. Rozstaw słupków co 2 metry oraz maksymalne dynamiczne odkształcenie na poziomie 1,0 m czynią ten produkt efektywnym i stabilnym rozwiązaniem drogowym. Dodatkowo, niski poziom uszkodzeń pojazdu (VCDI: RF0001000 dla testów TB11 i TB32) potwierdza jego skuteczność w realnych warunkach.

Bariera SP-05/2 to w pełni polski produkt, spełniający aktualne wytyczne dotyczące stosowania barier drogowych. Minimalna długość instalacji wynosi 40 metrów,