Bariera drogowa N2W4A
Poziom powstrzymywania: N2
Intensywność zdarzenia: A
Znormalizowana szerokość pracująca: W4
Znormalizowane ugięcie dynamiczne: DN = 1,2m
Trwałość: cynkowanie wg normy EN ISO 1461 lub EN 10346
Zapytaj o ofertę !
- mail: brd@fhu-galt.pl
- telefon: +48 537 094 225
Opis
Bariera drogowa stalowa o poziomie powstrzymywania N2, klasa szerokości pracującej W4
Stalowa bariera ochronna o poziomie powstrzymywania N2 i klasie szerokości roboczej W4 została zaprojektowana z myślą o skutecznej ochronie pojazdów przy zachowaniu elastyczności systemu. Znormalizowana szerokość pracująca wynosi 1,3 m, a dynamiczne odkształcenie konstrukcji to 1,2 m, co zapewnia skuteczne pochłanianie energii zderzenia i redukcję siły oddziałującej na pasażerów.
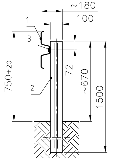
Bariera ma wysokość 0,75 m i szerokość 0,18 m, co czyni ją kompaktową i łatwą w montażu. Słupki rozmieszczone są co 4,00 m, a ich długość wynosi 1,50 m. System wykorzystuje profile typu A i B, co ułatwia integrację z innymi komponentami infrastruktury drogowej.
Bariera spełnia wymagania normy EN 1317-5:2007 + A2:2012, a dodatkowo wykazuje zgodność z klasą śniegową 3, co potwierdza jej odporność na odśnieżanie. System kompatybilny jest z osłonami przeciwolśnieniowymi, co zwiększa bezpieczeństwo wizualne na drogach. Produkt posiada również Deklarację Środowiskową Produktu (EPD) nr 322/2022, co potwierdza jego ekologiczny charakter. Trwałość gwarantowana dzięki powłoce cynkowej zgodnej z normami EN ISO 1461 / EN 10346.












