Bariera drogowa H1W2A VI6
Poziom powstrzymywania: H1
Intensywność zdarzenia: B
Znormalizowana szerokość pracująca: W2
Znormalizowane ugięcie dynamiczne: DN = 0,7m
Znormalizowane wtargnięcie pojazdu: VI6 = 1,8m
Trwałość: cynkowanie wg normy EN ISO 1461 lub EN 10346
Zapytaj o ofertę !
- mail: brd@fhu-galt.pl
- telefon: +48 537 094 225
Opis
Bariera drogowa stalowa – poziom powstrzymywania H1, szerokość pracująca W2, zgodna z normą EN 1317
Stalowa bariera drogowa o poziomie powstrzymywania H1 została zaprojektowana z myślą o skutecznym zabezpieczeniu ruchu drogowego na odcinkach o podwyższonym ryzyku kolizji. Bariera spełnia rygorystyczne wymagania normy zharmonizowanej EN 1317-5:2007 + A2:2012, co potwierdza jej skuteczność i bezpieczeństwo w realnych warunkach drogowych.
System charakteryzuje się klasą wtargnięcia pojazdu VI6, co oznacza maksymalne wtargnięcie pojazdu na poziomie 1,8 m. Odkształcenie dynamiczne przy uderzeniu wynosi zaledwie 0,7 m, co świadczy o wysokiej sztywności konstrukcji i jej zdolności do skutecznego pochłaniania energii uderzenia. Poziom intensywności zderzenia klasy A zapewnia niski poziom oddziaływania na pasażerów pojazdu w momencie kolizji.
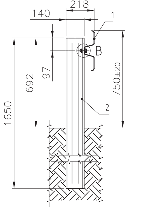
Bariera ma wysokość 0,75 m oraz szerokość całkowitą 0,22 m. Konstrukcja opiera się na słupkach stalowych rozmieszczonych co 2,0 m, o długości od 1,65 m do 2,30 m, co zapewnia stabilność i trwałość systemu. Produkt dostępny jest z profilami prowadzącymi typu A i B, co pozwala na dostosowanie do różnych typów dróg i warunków technicznych.
Bariera została przetestowana na długości 60 metrów, z uwzględnieniem odporności na odśnieżanie w klasie 3. System jest ocynkowany ogniowo zgodnie z normami EN ISO 1461 oraz EN 10346, co gwarantuje długowieczność i wysoką odporność na korozję, nawet w trudnych warunkach atmosferycznych.











